Vortec Chevy 5.3 Firing Order – If you’ve actually employed an Chevy 5.3 and were unclear about the firing series it’s not an issue. This information will tackle the most commonly requested questions, and reveal to you exactly where each cylinder is supposed to be firing. It is possible that you are contemplating whether you should alter the order. Alternatively, if you are able to use the factory setting. In either scenario, understanding the exact firing buy for your personal 5.3 will save you from frustration. Understand the appropriate technique to use to make use of with your motor. Vortec Chevy 5.3 Firing Order.
5.7L engine’s firing buy for firing is 1-8-7-2-6-5-4-3
This Chevy 5.7L engine’s blaze sequence starts with amount 8, which is the driver’s area, then techniques towards the opposing finish with the cylinders with even numbers. Once the cylinders are put into these combustion chambers they will rotate in a single cylinder pattern, this is because. It is different from the firing pattern of the Chevrolet LSX engine, although the firing sequence is similar to the firing order on the 5.3L engine.
This is the Chevrolet 5.7L engine’s blaze sequence is just like the LS1 equivalent. The ZR-1 was discontinued inside 6 many years of its creation. In 1997 the LT5 was released as an alternative to Corvette managers. Chevrolet Corvette, as well as the business was speedy to manufacture it in large amounts. The Five.7L was designed with an light weight aluminum block and head to improve strength and endurance. The 5.7L’s capacity when compared with it’s Gen I precursor was drastically increased.
When switching heads The LS7 cylinder heads may be used with other LS engines. The intake slot diameters from the LS7 differ from those of that from LS3 in addition to LS9 heads. The LS9 brain isn’t able to be placed on an prevent which is LS1 or LS2. The LS7 mind is unique from LS1 as well as LS2 prevents. The LS7 prevent is constructed of 12mm mounting bolts to attach the pinnacle of your cylinder.
The LS group of motors was made while using aluminum prevent whilst before metal prevents were made of metal. The latest number of heads for cylinders got the 15-level position valve position in addition to improved combustion compartments. Alongside a contemporary ignition device, the firing pattern that is used from the Chevy 5.7L generator is 1-8-7-2-6-5-4-3. The exhaust manifolds are also enhanced.
You have to update the table to reflect the latest ignition system if you’re installing an engine with LS1 or a Gen III engine. It is crucial to ensure that the various ignition devices are in sync before the engine can be put in place. To the LS1 along with LS3 engine will demand relationship in the induction PCM and banks. Your order of firing of Gen III generator is Gen III engine is 1-8-7-2-6-5-4-3.
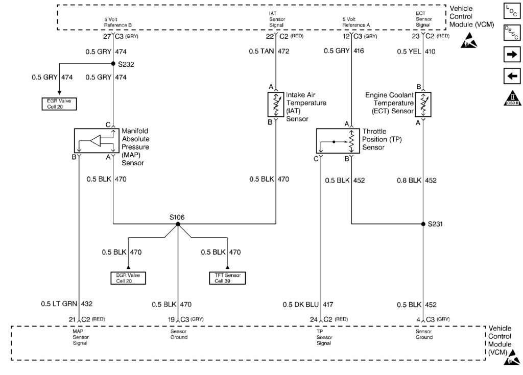
5.3L engine’s firing sequence is 1-8-4-3-6-5-7-2
You’ll need to understand the shooting pattern to the GM 5.3L engine to have highest efficiency from using it. It’s distinct from other Chevy lorriesthat have SBC motors. The firing series for the 5.3L Chevy generator is usually 1-8-4-3-6-5-7-2. It differs from other engines that make use of SB in addition to BB V8s.
The first tube of your 5.3L is found to the left of the motor. When the cylinder is placed situated in the center of the motor then turn around 90° to make the crankshaft kept. This causes that engine to rev more quickly. The next cylinder around the firing buy is found in midst. This generates much more stress. The final tube is found on the top from the engine.
The firing order of your 5.3L engine is the same to the 350. A Z/28 engine has the same basic structure of a 350, but it is regarded as to be a V8 with slightly more power. Both engines have consumption plug-ins which can be swirled and consumption plug-ins that GM telephone calls “vortex compartments”. This will minimize power and airflow productivity. It’s also used to conserve gasoline.
It is the 5.3L engine’s firing pattern can be described as: 1 piston is turned off at TDC whilst the next one is turned on. This happens right after the tension from the absorption manifold rises. Because this takes place the gasoline injector is not really energetic until the tube has reached TDC. The energy from your cylinder that may be not triggered is dragged into the tube and then ignited and then burnt for rejuvenating regular motor operations.
It will be the 5.3L engine’s firing routine is among the most complex areas of the LS-group of engines. The gasoline injectors are changed in ways that the PCM has to be familiar with which injectors are working and which aren’t. Incorrectly-mapped injectors can lead to severe gas trims and also stalling. Andin certain circumstances the generator could cease completely.





