Firing Order 1982 Chevy 2.8 V6 S-10 – You might have asked yourself what is the Chevy 2.8 firing get. This information will supply what exactly is the Chevy 2.8 firing timetable comprehensive. Prior to deciding to determine the exact get ensure you become common in the 2.8 V6’s basic characteristics. If you’re not familiar concerning the firing series the details are obtainable in the owner’s guide. Bear in mind that specific automobiles have diverse firing recommendations as compared to others. So, be sure to study the instruction manual thoroughly to understand the correct firing procedure to use with your car. Firing Order 1982 Chevy 2.8 V6 S-10.
GM 2.8 firing buy for v6
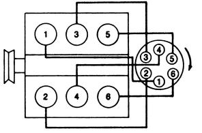
If you’re looking for an Chevy Camaro RS 2.7L or perhaps a Buick LaCrosse 3.8L Firing Purchase You’re inside the appropriate spot. Chevrolet’s 2.8L V6 generator comes with the firing get of 1-2-3-4-5-6. Under, you’ll discover the information necessary that may help you fix all of these difficulties with your vehicle. Keep in mind the firing pattern is distinct towards the auto model and year, and could differ inside a small approach from a single version to the next.
If you’re installing a GM 2.8 V6, make certain to study the engine manual carefully and be aware of what cylinders are on your driver’s side. The majority of directly 6s are animated, which makes it simple to get perplexed as soon as the pattern differs to the one you have. GM also provides tube jobs inside the owner’s manual. Don’t hesitate to reach us if you have any queries you’re looking for answers! Our experts are available to assist you in making a good choice.
Initial, you have to decide the firing pattern for your personal motor. GM suggests applying this firing purchase: 1-6-5-4-3. The firing purchase changes the representative clockwise, nonetheless there are some exclusions. The best position is near the top of both blogposts at frontward from the distribution. Most often, the kindle plug is taken off incorrectly. Make sure the spark plug in the first place is removed and that your harmonic balancer has been in dead in the middle if your ignition isn’t working correctly.
You may well be thinking about what you can do to start on the GM 2.8 V6 generator. You should know the way the kindle plugs from the motor function. If you do not have a service manual then refer to the owner’s manual. Manuals will outline the firing get for every tube. As an example the Cylinder number one should be linked to the distributor’s terminal instantly clockwise. Cylinder number two must be connected to representative immediately counterclockwise. A challenge with this sequence could cause the auto isn’t beginning.





